Welcome to the CJ-3B Bulletin Board, the discussion forums section of the website CJ3B.info. Everyone is invited to view the postings here, but you must register as a member in order to post messages. The moderator reserves the right to remove items posted. Items may be archived in the Tech Tips section of the website. If you post a tech problem, please follow up by posting the solution when it is found, as it may be useful to other readers. For forums covering other Jeep models, see the bottom of this page.
Search for keywords or phrases anywhere in the CJ-3B Bulletin Board using Google. Enter key words here.
| You're currently viewing the forums as a guest. This means there are some features you can't use. If you register, you'll be able to post messages and use member-only features such as customizing your profile and sending personal messages. Registration is simple and free. Join the CJ-3B Bulletin Board! If you're already a member please log in to your account to access all of our features: |
| Various DJ Parts Restorations ; intertwined with Off Topic | |
|---|---|
| Tweet Topic Started: Jan 19 2014, 01:23 AM (16,081 Views) | |
| PapaC | Jul 9 2014, 09:29 PM Post #151 |
|
Papac
![]() ![]()
|
Here's the gears that will actually lock themselves up if you try to spin them backwards. ![]() The rod sticking up is the shift rail that also runs into the transmission to lock out from shifting into reverse. There's an attachment on it also that controls the sun gear. The sun gear is the one that spins the pinion cage which turns inside a wide ring gear. Only the main shaft that runs through the middle of the transmission will accept reverse. Those others by design and the way the grooves are cut on the gears will only turn forward. ![]() The notch in the shift rail is moved back and forth by the lockout lever on the side of the transmission. There's another spring that fits inside the housing that it runs through when the case is slipped on it. The very tip end on the back of it is what pushes the button on the electric rail lockout switch. ![]() #42 and #43 are the drive gears for the governor and the speedometer. |
|
Charles Tate....North Mississippi 1956 WILLYS DJ3A Convertible Doing ground up nuts and bolt restoration by almost entirely reconditioning original used or a few NOS DJ3A parts. 1962 WILLYS DJ3A Convertible. (For research and parts only) | |
![]() |
|
| PapaC | Jul 9 2014, 10:35 PM Post #152 |
|
Papac
![]() ![]()
|
Checked the selenoid and it worked. Decided it might be due for a tune-up anyway so I popped the top off. Held on by two nuts on the end and two insulated through screws that attach the wires to their posts which is inside the housing. This is what I found inside.![]() A couple of more nuts and it stripped down to this. Cleaned up the dry grease inside and lightly sanded the points. No need to actually tear down to the windings. They either work or they don't and have read they're pretty durable soooo....decided not to mess with something that can't be 'tuned up' anyway. ![]() Cleaned this up good, re-lubed, and slid it back into its hole. ( If you look close there's a lock key in the side of the shaft that only lets it go in one way ![]() Cleaned this plate up good, sanded the points, a little dielectric grease (Vaseline) and put the nuts back on and tightened it down. ![]() Put the cover back on (it'll only fit one way) put the two nuts back on and put the screws that hold the wires back in. The case is marked with numbers beside each post so that should help make wiring a snap!!! The very small shaft seal was still soft and looked perfect. I don't expect it to cause any problems so I felt it would be silly to replace. Overall....one of the easiest electrical components to refurbish I have ever seen, even if it is over 50 years old!!! Now painted and installed (no photo yet) |
|
Charles Tate....North Mississippi 1956 WILLYS DJ3A Convertible Doing ground up nuts and bolt restoration by almost entirely reconditioning original used or a few NOS DJ3A parts. 1962 WILLYS DJ3A Convertible. (For research and parts only) | |
![]() |
|
| PapaC | Jul 9 2014, 11:11 PM Post #153 |
|
Papac
![]() ![]()
|
Another truth I've discovered after some more cyphering is.... I actually could have worked around the fancy, complicated bracket I made by drilling a hole and tapping into the side of the overdrive housing itself and putting the clutch rod pivot ball there. Fastened straight to that housing !!! Haven't found any posts about that but I betcha that's how the old timers that actually knew what's what would've done it??? Oh well, mines done the hard way and I ain't changing it!!!
|
|
Charles Tate....North Mississippi 1956 WILLYS DJ3A Convertible Doing ground up nuts and bolt restoration by almost entirely reconditioning original used or a few NOS DJ3A parts. 1962 WILLYS DJ3A Convertible. (For research and parts only) | |
![]() |
|
| SteveK | Jul 10 2014, 07:39 AM Post #154 |
|
Member
![]() ![]()
|
Excellent pics for awareness of functions. Thanks.
Speaking of 'wiring', did you find the numbering on the diagram different from the actual solenoid? I have a 6volt and a 12volt solenoid, and both are wired opposite numbers of diagram. I found the terminal #6 closest to the cover mounting nuts as the 'coil ground' activated when the shaft is pulled forward by the solenoid activation, via the other terminal closer to the shaft end marked #4. I have a diagram showing just the opposite, with #4 going to the coil and #6 for the solenoid voltage. Hmmmm Could it be the difference for positive or negative grounding?? I wish I could post the two schematics for clarification of what I'm trying to say. Note: At least when your friend does break down, he can get under it for shade while he waits for you to come rescue him... |
|
SteveK 62 Dispatcher South Florida | |
![]() |
|
| PapaC | Jul 10 2014, 12:13 PM Post #155 |
|
Papac
![]() ![]()
|
Send me the schematics and I'll post them here. I've also got old wiring harness that came with an old kick down switch that I ordered hidden away somewhere and I'll dig it out and see what's what with the wiring on it. AND....nope....I told em if he broke what used to be a perfectly good jeep I wasn't coming to help and for him to call a wrecker. I also told em if he DID get himself killed in it, I'd save his family the cost of a funeral by finding a ditch somewhere to dispose of his body. And if he's hurt REALLY bad...don't try fooling me by saying he needs to go to the hospital....it'd be a good lesson for him if I just went ahead and buried him anyway!!! ![]() Ps . Note the. 'Invisible' shocks on that thing he's been driving up and down the road. That's another thing I threatened that he better order some of and get on that jeep!!! |
|
Charles Tate....North Mississippi 1956 WILLYS DJ3A Convertible Doing ground up nuts and bolt restoration by almost entirely reconditioning original used or a few NOS DJ3A parts. 1962 WILLYS DJ3A Convertible. (For research and parts only) | |
![]() |
|
| SteveK | Jul 10 2014, 01:26 PM Post #156 |
|
Member
![]() ![]()
|
My mind is toasted lately. I just looked at the OD solenoid and the schematics again and what I described is backwards, but still different from the wiring diagram. On the diagram, #6 is for the kickdown/coil circuit, mine is marked #4, and their #4 is for voltage to the solenoid where mine is marked #6. Pics on the way to Charles who said he would post them. As for the Yellow Jeep, I say "to each his own", but I never understood why people jacked up sooooo high those short wheelbase Jeeps with even higher afterward center of gravity on mushy tires, as the only real ground clearance is under the pumpkins, not the body...unless they plan on submerging the thing. And to drive it with little regard for swaybars and shocks and their benefits, is putting safety at risk for sure. I guess they like the looks at any expense. Jeeps sure offer something for everyone... |
|
SteveK 62 Dispatcher South Florida | |
![]() |
|
| PapaC | Jul 11 2014, 12:36 AM Post #157 |
|
Papac
![]() ![]()
|
Ok, here's mine with a blue base coat (had lots of blue and short on black at the moment ) There's a small delco remy stamp that didn't show up on this photo ![]() ![]() And here's a shot of Steve's ![]() To me, it looks like my number 4 and 6 and Steve's 4 and 6 is reversed. I don't know what that means.... for sure. EDIT. Now I'm 'thinking' I read somewhere those borg selenoids are all about the same with maybe the exception of where the wireing contacts were located. 'Might' of been ebay where I read that. There's a seller on there that sells a lot of studebaker parts, maybe I read it on one of his listings??? Also I truly don't know for sure that mines 6 volt, just assuming. Unless somebody knows, it's gonna take a bit of investigation to find out for sure. |
|
Charles Tate....North Mississippi 1956 WILLYS DJ3A Convertible Doing ground up nuts and bolt restoration by almost entirely reconditioning original used or a few NOS DJ3A parts. 1962 WILLYS DJ3A Convertible. (For research and parts only) | |
![]() |
|
| PapaC | Jul 11 2014, 12:53 AM Post #158 |
|
Papac
![]() ![]()
|
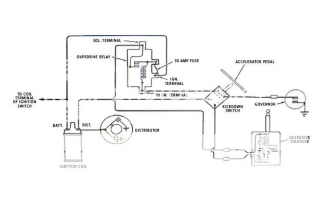
And here's the wiring diagrams that Steve emailed me. This one indicates there are two seperate windings in the OD selenoid. I understand that one on them is stronger and helps pull the pawl from the notch so as to release the sun gear . After that the other lighter winding is just to hold the pawl it in in place and out of the way so that the sun gear can move back into the planetary gear as you speed up. ![]() Heres a couple of marked wiring diagram. A note in the second one describes the 'pull in winding' and the 'hold in winding. ![]() ![]() Also note the selnoid gets it's grounding from the machined surface where it mates up with the transmission. No gasket here. On mine I cleaned that area throughly and used just a 'tiny' amount of grease between the surfaces. Also I'll figure out a dedicated heavy duty ground of some type when I'm doing the wiring harness. |
|
Charles Tate....North Mississippi 1956 WILLYS DJ3A Convertible Doing ground up nuts and bolt restoration by almost entirely reconditioning original used or a few NOS DJ3A parts. 1962 WILLYS DJ3A Convertible. (For research and parts only) | |
![]() |
|
| SteveK | Jul 11 2014, 07:27 AM Post #159 |
|
Member
![]() ![]()
|
Thanks for posting the pics Charles. I can't read your blue terminal marking, but my solenoid as pictured from a 49 Jeepster has the same Delco and part number identification. I've also verified via Delco part numbers that that is a 6volt part. Now I really don't understand the numbering differences. When you had it apart, did you note which was the grounding terminal and which was the voltage and associated placement and numbers on the housing? |
|
SteveK 62 Dispatcher South Florida | |
![]() |
|
| PapaC | Jul 11 2014, 01:27 PM Post #160 |
|
Papac
![]() ![]()
|
Ok. Now I FINALLY understand your concerns. The instructions and bench testing procedures of the solenoid from this link http://www.kaiserbill.com/Web-PDF/KF-Overdrive.pdf Describe a wiring diagram for a POSITIVE GROUND by telling you to bench test with the ground lead to the #4 terminal and the hot lead to the BODY or housing of the selenoid itself. Since our jeeps are NEGATIVE ground this is confusing if you pay enough attention to it. Not to worry. It's just a magnet anyway and doesn't care if it's wired positive or negative ground. The same as any electromagnetic, the leads can be reversed to make it energize. If you wire it with your vehicle POSITIVE ground it will send a POSITIVE signal upon kick down to the ignition circuit, temporarily grounding it, if the whole car is positive ground If you wire it with your vehicle NEGATIVE ground it will send a NEGATIVE signal upon kick down to the ignition circuit, again temporarily grounding it and making it stumble....if the whole car is negative ground I in fact bench tested my solenoid with the POSITIVE lead going to the #4 terminal and the NEGATIVE lead going to the body of the solenoid. (Temporarily using 12 V) :rolleyes: and it worked perfectly). If the solenoid were a dc motor reversing the wiring would likely make it run backwards. Since it's a electro magnet.....it doesn't care and the points will send the correct signal, even if your vehicle is pos OR neg ground. Just make sure there's a good dedicated ground going to the OD and that you've got a good ground on the mating surface between the OD and SOLENOID itself. Also your dedicated ground (negative) could go to the bolts that fastens the solenoid to the OD. In theory I think this would be the best method and is probably what I will do. Everything else, run the wires as shown in the wiring diagram. I ......in theory GUARANTEE you it will work and send the correct signals!!! Whew, my brain is TIRED from figuring that all out!! ![]() Ps. If you changed the wires on the #6 terminal and the #4 terminal the magnet will NOT energize and nothing would work. |
|
Charles Tate....North Mississippi 1956 WILLYS DJ3A Convertible Doing ground up nuts and bolt restoration by almost entirely reconditioning original used or a few NOS DJ3A parts. 1962 WILLYS DJ3A Convertible. (For research and parts only) | |
![]() |
|
| SteveK | Jul 11 2014, 10:33 PM Post #161 |
|
Member
![]() ![]()
|
What is still confusing to me, and not explained on the site referenced, or from your test...or anywhere else...why do two 6V solenoids with the same part number have terminals identified in opposite positions with the same numbers, and, then which diagram do you follow for which set of numbers????? You didn't say which numbered terminal you physically found as the 'voltage winding' and where on your solenoid??? In your earlier note about grounding, The grounding is all accomplished via the block and trans being bolted together, as is the solenoid bolted to the trans grounding the case. There should be a ground cable from battery to engine block and frame also. A dedicated ground cable would not be needed, but won't hurt anything. I think I have the circuitry understood and will just ignore the'terminal numbering' after physically determining which terminal goes where. Thanks for the info. FYI...I have already confirmed my number 6's, both 6V and 12V (from 55 Chevy-Neg Grd), go to the windings. Maybe they both were numbered on Friday afternoons... lol. |
|
SteveK 62 Dispatcher South Florida | |
![]() |
|
| PapaC | Jul 11 2014, 11:48 PM Post #162 |
|
Papac
![]() ![]()
|
Whew, tired of transmissions and overdrives and changing out shift levers and more importantly, getting careless and twisting a shift linkage in two while trying to loosen up the clevis so it could be adjusted if needed. I like to never got it drilled out, cleaned up, finding a extra fine threaded bolt with long enough threads, (saved by an old spring bolt there) cut to the right lengths, welded together, ground down, sleeved with a sleeve made from the inside bushing of one of the old shift lever bushings that I slid over the rod before welding and then slid over the ground down break for extra strength and then welded the sleeve on both ends, then heat treated the whole rod and let it cool slowly after packing in sand, and then shining up and painting and waiting for that to dry so I could install the dad gummed thing. All because I was CARELESS and if you think that's a loooong sentence your right. Waisted hours figuring that all out and performing that procedure. The other shift rod, I made SURE it was ready before I put a wrench on it too free it up!!! Ok gonna rest my brain and get this thread back off topic for just a minute!!! The other day I coined the phrase 'advanced bubba technology. Truth is, I never heard the phrase 'Bubba' concerned with throwing something together, right or wrong , until after I bought the DJ and started learning about them. Didn't take me long to understand though, my jeep was EAT UP with bubba technology, much of which I've corrected by now. What I 'had' heard of is jake leg, or jack leg, especially in the contex of what I call 'pickup truck' roofers who skip nails or don't know how to properly cut into and flash a brick chimney, instead opting to use buckets of tar to try to cover their mistakes. Now me, I've always considered my inventions as 'RED NECK TECHNOLOGY' which seems more appropriate, being from the south and all. I kinda tried to get better at it over the years. Here's some pictures of some of my inventions, some of which were throwed together quickly. Here's one from a loooong time ago and has been sat on at least 3 four wheelers of my dads over the years. We still joke about honda stealing the idea from us because even though it's crude, the first time my dad took it in for servicing back in 86 they got all excited and actually took pictures of it.My dad wanted a shade for his four wheeler and I built him this. Back in the day we even had it enclosed during the winter time and doors on it!!! ![]() Here's a more simple one. It was COLD IN MY SHOP and I was out of gas so I threw together a coal burning heater out of some old propane tanks. By now it's pretty crusty but still works and I still use it. The saw blade shelf is for heating coffee. ![]() And here's a set of stairs built out of scrap metal when I built my shop Note : scrap metal has gotten harder to find these days!! ![]() |
|
Charles Tate....North Mississippi 1956 WILLYS DJ3A Convertible Doing ground up nuts and bolt restoration by almost entirely reconditioning original used or a few NOS DJ3A parts. 1962 WILLYS DJ3A Convertible. (For research and parts only) | |
![]() |
|
| PapaC | Jul 12 2014, 12:18 AM Post #163 |
|
Papac
![]() ![]()
|
Here's one that actually took a while to gear and pulley up so it would function correctly. I'd salvaged a big old commercial garage door and never could get the springs wound right so it was easy to raise and lower. One winter I got mad and decided to do something about it. Made this 'electric' garage door opener out of a yard sale drill, some old pulleys and a drastically altered hand winch that used to be on a four wheeler and some cable. After a LOT of experimenting and changing the tension on those DANGEROUS heavy duty overhead springs I 'finally' got it working right. Still use it too. (Flip the switch on top of the drill to raise or lower) ![]() Here's another idea that works so good 'somebody' oughta be making and selling. I was tired of dealing with a yard sprayer on a trailer so I took a old rack I'd found 'somewhere' and threw this together in a few hours one evening. It's not as pretty as it could be but it sure is handy. It simply sets over the rear bumper of the mower and under the frame. Plug wired straight to the battery. Takes only a minute to install or remove and you can mow and spray at the same time if you want to... Ps. After bouncing it off a few times I now make a couple of wraps around the front cross bar and the bumper with the extra part of the chain that holds the tank in place. I don't ever take the tank off of its frame work though, it's pretty light when it's empty and I just unplug it, undo the chain around the bumper, and set it off. ![]() Ok one more and we'll get back to business. This is a little more 'artistic' and they are made out of a piece of 2 inch pipe and some old horse drawn cultivator wheels that had taken me several years to gather up enough of. Ps. I actually never actually knew 'why' I was gathering them up, just knew they'd be useful someday. One of a pair of homemade rails for the steps leading up to my porch. ![]() |
|
Charles Tate....North Mississippi 1956 WILLYS DJ3A Convertible Doing ground up nuts and bolt restoration by almost entirely reconditioning original used or a few NOS DJ3A parts. 1962 WILLYS DJ3A Convertible. (For research and parts only) | |
![]() |
|
| PapaC | Jul 12 2014, 12:28 AM Post #164 |
|
Papac
![]() ![]()
|
Ok, enough of that nonsense. I 'think' other than the actual wiring I've got the transmission and overdrive sorted out. If you notice I missed anything feel free to speak up!!! Next up ..... Remove and polish and lap the valves (probably shoulda already done that but I'll be careful to plug the holes and not get any trash in the motor while doing so) and.............. Put the Ross steering box and associated parts, including repairing the wear on the shifter itself that I tore into and cleaned up MONTHS ago. Ps. Just in case anyone was wondering, it's a baaaad feeling to try to get everything near perfect, home made gasket and everything and install the timing cover and.......jussssst as your finishing torquing down the bolts and look over and see the oil slinger still setting on the battery tray!!! |
|
Charles Tate....North Mississippi 1956 WILLYS DJ3A Convertible Doing ground up nuts and bolt restoration by almost entirely reconditioning original used or a few NOS DJ3A parts. 1962 WILLYS DJ3A Convertible. (For research and parts only) | |
![]() |
|
| PapaC | Jul 12 2014, 12:58 AM Post #165 |
|
Papac
![]() ![]()
|
Ouch, sorry I missed this while I was rambling. The voltage wiring was. #4. When I held the lead to 6 and grounded it nothing happened, most likely because the windings weren't energized so the voltage wasn't completing any circuit because of the points. When I held the lead to #4 and grounded it the solenoid clicked, verifying that's where the hot lead goes to on the solenoid. Ps. Now I'm wondering if I remember that correctly but as you said easy to test. Tomorrow I'll check again to be sure. When I was thinking about the ground to the overdrive I was thinking about the gasket between both sides of the center spacer. That would leave the ground to be carried from the engine relying on the bolts that hold it together and the gears inside to carry the ground. Since a mistake, especially in 6 v wiring which carries more actual amps is a bad thing, I figured a dedicated ground would be a good thing. I also will be running a dedicated ground to the rear tail lights. |
|
Charles Tate....North Mississippi 1956 WILLYS DJ3A Convertible Doing ground up nuts and bolt restoration by almost entirely reconditioning original used or a few NOS DJ3A parts. 1962 WILLYS DJ3A Convertible. (For research and parts only) | |
![]() |
|
| Go to Next Page | |
| « Previous Topic · DJ-3A Dispatcher Posts · Next Topic » |



![]](http://z4.ifrm.com/static/1/pip_r.png)























3:52 AM Jul 11